Top.Mail.Ru
Ваш город: Краснодар
г. Новосибирск, ул. Сухарная, д.101
Время работы:
Пн-Пт: 06:00 - 15:00
Сб: 07:00 - 12:00

19.07.2017
            
Аппарат В-333 осуществляет 4 компьютерные программы и предполагает осуществление нейростимуляции, электролиполиза, тренинга мышц, глубокого массажа (лимфодренажа), а также налаженную регулировку частоты подачи импульсов, работу таймера, регулировку мощности по каждому каналу, режим автоматического выбора программ.  


Описываемый здесь прибор для миостимуляции оказывает своё воздействие посредством электрических сигналов, генерирующих движение мышечных волокон, сокращение которых вызывает приток крови и активацию синтеза белков.

Эффекты от использования оборудования:

  • Лифтинг.
  • Уменьшение количества и выраженности растяжек.
  • Реабилитация состояния мышечной системы после операций.
  • Улучшение циркуляции в лимфатической и кровеносной системах.
  • Придание мускулатуре силы и упругости.
  • Повышение тонуса у вялых мышц.
  • Ускорение реакций расщепления жировых отложений.
  • Оздоровление кожной структуры.
  • Мышечная релаксация.
  • Устранение целлюлитных образований.
  • Снижение степени болевых синдромов.

Применяя миостимулятор В-333, Вы сможете успешнее контролировать этапы похудения, направляя воздействие на участки, более всего нуждающиеся в этом. За 1 сеанс можно работать с несколькими зонами одновременно, корректируя фигуру и уменьшая объем тела.

                                  

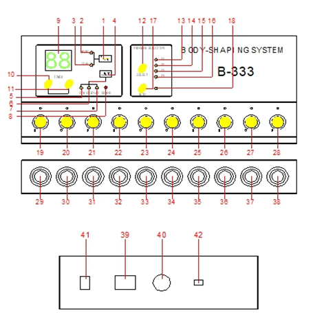
Описание панели:

      1: Вкл/Пауза       2,3: Индикатор работы/остановки
      4: Скорость       5,6,7: Кнопки скорости (3 Модели)
      8: Индикатор ошибки       9: Отображение времени
     10,11: Увеличение/Уменьшение времени      12: Выбор программы
     13-16: Кнопки программы (P1; P2; P3; P4)      17: Кнопка авторежима
     18: Индикатор авторежима      19-28: Мин—Макс регуляторы
     29-38: Выходные порты
     39: Входной кабель
     40: Предохранитель      41: Питание Вкл/Выкл
     42: 220/110V кнопку переключателя напряжения  

Описание программ:

  • P1: способствует снятию мышечного напряжения и снимает боль в мышцах.
  • P2: способствует приданию рельефа мышцам (эффект занятий в тренажерном зале).
  • P3: соответствует устранению растяжек и обвисшей кожи.
  • P4: способствует снижению полноты, уменьшению целлюлита, удалению излишних жировых отложений путем интенсивного массажа, придает телу стройность.

Примечание: когда выбрана одна из программ встроенный микрокомпьютер автоматически устанавливает скорость, чтобы получить наилучший результат в соответствии с выбранной программой.

Вы можете самостоятельно переключать программы, а можете воспользоваться авторежимом. Включенный авторежим самостоятельно переключает эти программы.

Предупреждение: перед использованием всегда проверяйте кнопку переключения напряжения 220/110V, чтобы убедиться, что напряжение соответствует местной сети.


0
Корзина
Ваша корзина пуста
Выберите в каталоге интересующий товар и добавьте его «В корзину».
Перейти в каталог